Üdvözöljük e-boltunkban Baseko

EGYoldalas fékszelep

½"- VBCL1202S-18Z

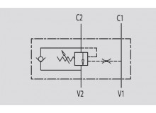
Túlterheléssel vezérelt nyomáscsökkentő szelepeket használnak a mozgás vezérlésére és a vevő blokkolására egy vagy mindkét... Teljes leírás

Raktáron
24 254,75 Ft ár áfával
19 719,31 Ft ÁFA nélkül

Kosárba helyez

Termék szám: 12101
Kategóriák: Csőszelepek, Nyomás, Megoldás, Fék
Oszd meg:

Katalógus

Töltse le a termékkatalógust

Katalógus letöltése

Leírás termék

Túlterheléssel vezérelt nyomáscsökkentő szelepeket használnak a mozgás vezérlésére és a vevő blokkolására egy vagy mindkét irányban (kettős szelepek). Blokkolják az áramlást, biztosítják a terhelés egyenletes esését, megakadályozzák a kavitációt, megvédik a hidraulikus rendszert a növekvő nyomástól és ellentétes irányban engedik az áramlást. Alkalmas középső helyzetű nyitott elosztókhoz.

Iránti kereslet hidraulikus összesíteni

Egyszerűen töltse ki az űrlapot, és küldje el érdeklődése egy hidraulikus egység iránt.

Küldjön érdeklődést
Baseko, spol. s r. o.

Lieskovec 830/107 (Areál ZTS)
01841, Dubnica nad Váhom
Slovensko

Szerezze meg a webhely helyét
Kapcsolatba lépni

© 2020-2026 Baseko. Minden jog fenntartva. | Tvorba web stránok - Ján Ďuriga