Üdvözöljük e-boltunkban Baseko

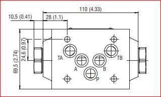
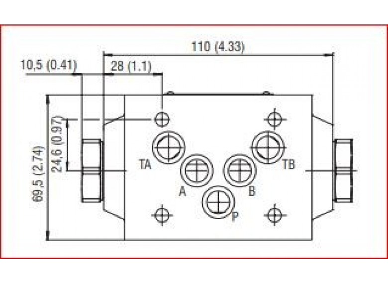
VJR3-10/MA

A, DN10 ág, közvetetten irányított

ARGO-HYTOS, VJR3-10 / MA moduláris, közvetetten vezérelt hidraulikus zár az A átmérő DN 10: -... Teljes leírás

Raktáron
61 161,75 Ft ár áfával
49 725,- Ft ÁFA nélkül

Kosárba helyez

Termék szám: 18293
Kategóriák: MODULÁRIS SZELEPEK, EGY ÚTOS SZELEPEK ÉS ZÁRAK
Oszd meg:

Katalógus

Töltse le a termékkatalógust

Katalógus letöltése

Leírás termék

ARGO-HYTOS, VJR3-10 / MA moduláris, közvetetten vezérelt hidraulikus zár az A átmérő DN 10:

- a készülék helyzetének biztosításához (pl. henger függőleges helyzetben) és biztonsági elemként a készülék nem kívánt mozgása ellen

- maximális nyomás 350 bar-ig

- maximális áramlás 140 liter / percig.

Iránti kereslet hidraulikus összesíteni

Egyszerűen töltse ki az űrlapot, és küldje el érdeklődése egy hidraulikus egység iránt.

Küldjön érdeklődést
Baseko, spol. s r. o.

Lieskovec 830/107 (Areál ZTS)
01841, Dubnica nad Váhom
Slovensko

Szerezze meg a webhely helyét
Kapcsolatba lépni

© 2020-2026 Baseko. Minden jog fenntartva. | Tvorba web stránok - Ján Ďuriga